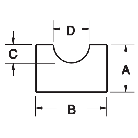
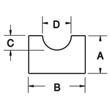
Round Belt Guides - Plain
Slideways specializes in making all types of belt guides, all available in several grades of UHMW plastic. UHMW guides extend belt life, reduce noise and friction. We produce them in standard sizes, or we will make custom sizes to meet your needs.
Mounted and plain round belt guides are standard parts for Slideways. Standard guides are available in 1/4", 5/16", 3/8", 1/2", 5/8" diameters. Other diameters are available to fit your application.
![]() |
DOWNLOAD BELT GUIDES SPEC SHEET |
Create Your Custom Part |
Round Belt Guides - Plain
Regular price
$0.00



