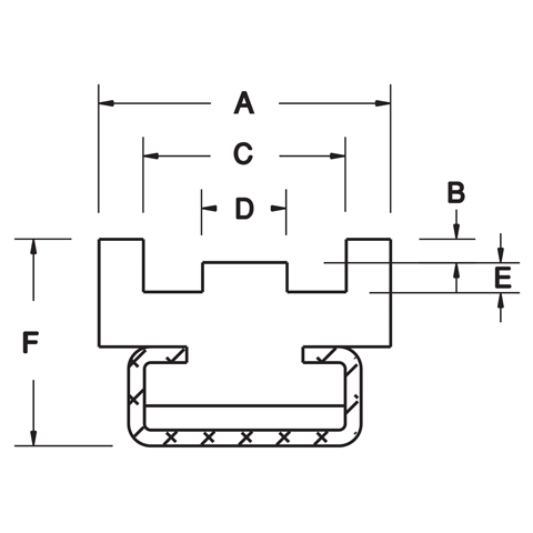
ANSI Roller Chain Guides - Type CTS Mounted
Power transmission chains are widely used throughout the world in a variety of applications, including drive, tension, shuttle traction and transmission reduction operations.
Because of its widespread usage, certain standards are set to ensure that pitch, width and other key characteristics of chains and sprockets are standardized. In the U.S., power transmission chains must meet ANSI B29.1
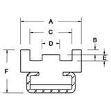
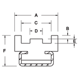
ANSI Roller Chain Inserts
At Slideways, we have in stock many types of ANSI roller chain inserts for conveyor chains. Typical styles include:
- Type CU
- Type CT
- Type CTD
- Type CTS
- Type CKG
- Type CK
![]() |
DOWNLOAD CHAIN GUIDES SPEC SHEET |
Create Your Custom Part |
ANSI Roller Chain Guides - Type CTS Mounted
Regular price
$0.00



